Answer

The starter relay is housed in the fuse box, which is positioned under the dashboard. In order to examine the relay, you must first remove the panel that surrounds the fuse box on the wall.

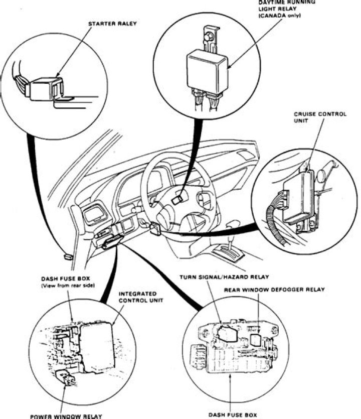
It’s also important to know where the starter relay is positioned.

The position of the starting relay varies based on the kind and model of the vehicle. A fuse box (also known as a power box) or a fuse panel beneath the dash, or on the right fender, are all possible locations for this. Most automobiles will have it beneath the hood, inside the large box with a black cover, and it will be easy to find.

In addition, where is the fuse box on a 2007 Honda Accord located?

Located in the engine compartment on the driver’s side, the main under-hood fuse box is located in the engine compartment. To access it, just press the tabs in the direction depicted. The inside fuse box is located on the lower left side of the driver’s seat.

Taking all of this into mind, where is the starter relay on a 2006 Honda Accord located?

The starter relay is housed in the fuse box, which is positioned under the dashboard. In order to examine the relay, you must first remove the panel that surrounds the fuse box on the wall.

What is the source of the buzzing in my starter relay?

Low battery capacity, damaged battery connections, or a faulty battery cable are all possibilities. The buzzing sound is caused by the starting relay attempting to start the vehicle. As soon as it applies the load of the starter to the system, the voltage lowers, and the starting relay is turned off by the system controller.

There were 34 related questions and answers found.

What is the best way to tell whether my starter relay is bad?

Here are several signs that a starting relay is faulty or failing to function properly. The vehicle will not begin to run. The starter continues to operate after the engine has been started. Starting the car has been a problem on and off. A clicking sound may be heard coming from the starting mechanism.

What happens if the starting relay fails on your vehicle?

If your starting relay has failed, the electrical signal from the battery to the starter motor will never be able to travel through it. As a consequence, no matter how many times you turn the key in the ignition, your engine will not start. When you turn your automobile, a malfunctioning relay will most likely generate an audible clicking sound as a result.

Is it possible for a blown fuse to prevent the vehicle from starting?

Typically, a blown fuse may only create a small electrical issue in your vehicle, such as your backup lights or interior lights not working, your radio not working, your turn signal not working, or parts of your temperature control systems not working correctly, among other things. A blown fuse, on the other hand, might result in your automobile not starting in rare circumstances.

What happens when the ignition relay stops working properly?

The ignition relay might fail due to wear, an accident, damage or exposure to water despite these precautions from time to time. Having a defective ignition relay will not only result in starting troubles for your car, but it may also result in the vehicle stalling, the battery depleting and being damaged, and power loss in the dashboard lighting, among other things.

Is there a fuse in the starting motor?

Most of the time, there is a fuse and relay for the auto starting in the fuse box, but sometimes there will be an external fuse on the fuse line or in close proximity to the car battery. The starting motor fuse is often large in size and will not be found on the fuse panel.

What is the procedure for changing an ignition relay?

1st of 1st instalment: replacing the ignition relay Materials are required. Step 1: Disconnect the battery from the car. Step 2: Remove the bolts that hold the steering column cover in place. Step 3: Remove any extra dashboard covers that may be present (s). Step 4: Identify the location of the ignition relay. Step 5: Disconnect the electrical harnesses from the vehicle. Step 6: Disconnect the ignition relay from the circuit.

What is the cost of a starting relay fuse?

Starting relay replacement typically costs between $53 and $62, depending on the manufacturer. Worker’s compensation is expected to be between $30 and $39, while components are priced at $2Taxes and fees are not included in this estimate.

On a 2001 Honda Accord, where is the starter relay located?

There is a starting relay on the circuit. It may be found in the steering column’s wire harness, which is a convenient location. Nope. The starting cut relay is located at the back of the under-dash fuse/relay box on the driver’s side of the vehicle.

Remove the main relay from your Honda Accord by following these steps.

Replace the Main Relay in a Honda Accord (with Pictures) Check to make sure the issue isn’t caused by the gasoline pump, the ignition, or any other component. Disconnect the battery and locate the primary relay on the circuit board. Removing the primary relay from its current placement. Remove the Honda Accord’s relay from the main relay socket, which is the base of the relay that is attached to the wiring system.

What is the cost of a starter for a 2006 Honda Accord sedan?

The typical cost to replace the starter on a Honda Accord is between $580 and $68Labor expenditures are expected to range between $89 and $113, while components are expected to range between $491 and $573 in price.